-
Характеристики
Производитель ElectroVeL Площадь обогрева, м² 150 Теплообменник Нет Страна Россия Гарантия мес 24 Напряжение В 380 Тип Одноконтурный Установка Настенный Мощность кВт 15 Циркуляционный насос нет Расширительный бак нет Стабилизатор напряжения нет Воздушный регулятор нет Микропроцессор нет Дисплей нет Нагреваетльный элемент ТЭН Регулировка ТЭНа (мощности) ручная Защита от замерзания нет Защита от перегрева есть -
Описание
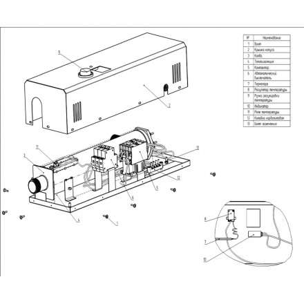
Электрический котёл ElectroVeL ЭВПМ-15_ВКР — это высокоэффективное и надёжное решение для отопления домов и дач, идеально подходящее для помещений площадью до 150 м². Производимый в России, этот котёл отличается высоким качеством и долговечностью, характерными для продукции ElectroVeL.
Основные характеристики котла включают его мощность в 15 кВт, что позволяет быстро и равномерно обогревать большие площади. ElectroVeL ЭВПМ-15_ВКР предназначен для одноконтурной системы отопления, что упрощает его установку и эксплуатацию. Он работает от сети напряжением 380 В, обеспечивая стабильную и эффективную работу.
Котёл монтируется на стену, что экономит пространство и позволяет удобно размещать его в технических помещениях. Основной нагревательный элемент устройства — ТЭН (трубчатый электронагреватель), который обеспечивает надёжное и быстрое нагревание теплоносителя. Регулировка мощности ТЭНа осуществляется вручную, что позволяет пользователям точно настраивать уровень отопления в зависимости от текущих потребностей.
Несмотря на отсутствие циркуляционного насоса, расширительного бака, стабилизатора напряжения, воздушного регулятора и микропроцессора, котёл ElectroVeL ЭВПМ-15_ВКР остаётся эффективным и надёжным устройством для отопления. Простота конструкции делает его более устойчивым к поломкам и лёгким в обслуживании. Хотя в котле отсутствует дисплей, интуитивно понятное ручное управление обеспечивает удобство использования.
Ключевой функцией данного котла является защита от перегрева, что гарантирует безопасность эксплуатации и предотвращает повреждение устройства в случае превышения допустимой температуры. Несмотря на отсутствие защиты от замерзания, котёл ElectroVeL ЭВПМ-15_ВКР остаётся отличным выбором для создания комфортного микроклимата в вашем доме или на даче.
Гарантия на 24 месяца подтверждает высокое качество и долговечность данного устройства. ElectroVeL ЭВПМ-15_ВКР — это оптимальный выбор для тех, кто ищет надёжное, мощное и эффективное решение для отопления своих жилых помещений, обеспечивающее комфорт и тепло на долгие годы.
Электрический котёл ElectroVeL ЭВПМ-15_ВКР купить в Витебске с доставкой и рассрочкой платежа. -
Отзывы
-
Условия доставки и оплаты
Условия доставки Электрический котёл ElectroVeL ЭВПМ-15_ВКР в Витебск -
С этим товаром покупают
Гарантия и возврат
Амазонка бай реализует более 10 000 товаров надлежащего качества от проверенных поставщиков, зарекомендовавших себя как ТОП-производители. Гарантия производителя распространяется на гарантийный талон либо иной другой документ его заменяющий.
В случае возникновения гарантийного случая необходимо обратиться в сервисный центр или в наш отдел по рекламациям.
Какие гарантийные сроки?
В основном на продукцию распространяется гарантия от 12 месяцев до 25 лет в зависимости от срока, предусмотренного производителем. Данная информация указана в гарантийном талоне либо ином заменяющем его документе.
За более подробной информацией и разъяснениями можете обращаться к нам по телефону +375 (29) 8000 226. Всегда рады помочь!
Какая информация должна быть в гарантийном талоне?
Гарантия содержит информацию:
- дата реализации;
- модель товара;
- серию и номер.
В талоне проставляется штамп торгующей организации и печать ответственного лица.
Легкий возврат товара
Возврат некачественного товара.
Для возврата приобретенного недоброкачественного товара будет необходимо:
- связаться по телефону +375 (29) 8000 226 с отделом по рекламациям, объяснить причину поломки;
- предоставить документы, свидетельствующие о приобретении: кассовый чек, товарный чек, ТН, договор поставки и иные документы, доказывающие факт приобретения данного товара;
- оформление возврата некачественного товара - заявление;
- согласование возврата денежных средств либо замену товара.
Возврат товара надлежащего качества.
В случае возврата доброкачественного товара, потребитель осуществляет возврат в течение 14 календарных дней с момента приобретения. Товар должен быть в заводской упаковке, без повреждений, содержать все сопроводительные документы (гарантийный талон, паспорт изделия и т.д.) и иметь такой же вид, как при покупке.
Обращаем Ваше внимание, что возврат возможен не на все категории товаров. Перечень непродовольственных товаров надлежащего качества, не подлежащих обмену и возврату, утвержден Постановлением Совета Министров Республики Беларусь № 778 от 14.06.2002 года. (Изделия под заказ, отрезные товары)
Остались вопросы? Позвоните нам для уточнения +375 (29) 8000 226.
Простая замена товара
Я могу вернуть доброкачественный товар?
Да. Если Вы приняли решение вернуть качественный товар, такая возможность действует в течение 14 календарных дней со дня приоретения. Внимание! Товар должен иметь продажный вид как при покупке, без следов эксплуатации.
Однако вернуть можно не все покупки. Перечень непродовольственных товаров надлежащего качества, не подлежащих обмену и возврату, утвержден Постановлением Совета Министров Республики Беларусь № 778 от 14.06.2002 года. Обмен и возврат продукции осуществляется на территории продавца.
Как вернуть недоброкачественный товар?
Для возврата товара ненадлежащего качества требуется:
- обратиться к торговой организации;
- предъявить документы, подтверждающие покупку;
- обязательно предоставить заявление на возврат;
- обговорить возврат средств с менеджером.
Необходимо некачественный товар вернуть по месту расположения продавца.
Кредит и рассрочка товара
Порядок действий для рассрочки:
- 1. Клиент выбирает товар в интернет-магазине.
- 2. Определяется и согласовывает с менеджером сроки и условия рассрочки.
- 3. В зависимости от выбранных условий направляется заявка в банк.
- 4. Банк оперативно рассматривает заявку.
- 5. После подтверждения рассрочки доставляем товар покупателю.

* Скидки и акции при рассрочке не действуют

* Скидки и акции при рассрочке не действуют
название | в месяц | итого | |
---|---|---|---|
Карта Черепаха (8 мес.) | 105 | 839 | |
Альфа-рассрочка (5 мес.) | 168 | 839 | |
Халва (4 мес.) | 210 | 839 | |
Легкие покупки (4 мес.) | 210 | 839 | |
Карта покупок (2 мес.) | 420 | 839 |